產品名稱: TMOV20D系列
發布日期: 2023-09-04
點擊數: 2539
二維碼:
簡述:
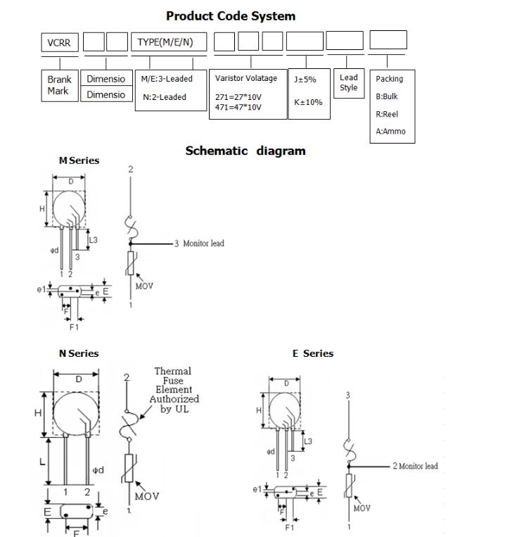
TMOV20D系列?壓敏電壓從(18V-1800V) ?具有UL ,TUV認證,符合RoHS,Reach標準,無鉛 ?專利的集成熱保護裝置 - ?旨在促進符合UL1449第3版SPD產品 ?和促進符合IEC62368 ,IEC61643-331產品 ?高峰值浪涌電流額定值高達10kA ?波可焊 ?標準引線形式和間距選項 ?低泄漏 ?-55°C至+ 85°C的工作溫度范圍

上一個:TMOV14D系列